Wärmeerzeugende Anlagen finden ihren Einsatz in Industrie und Heizungstechnik. Für den gefahrlosen Betrieb solcher Anlagen wird eine Vielzahl von sicherheitstechnischen Einrichtungen benötigt. Sie sollen dabei unter anderem Übertemperatur sowie Über- und …
Messprinzipien
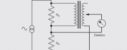
Funktionsweise einer Wechselstrom-Widerstandsmessbrücke
Danica Schwarzkopf | Know-howFließt durch ein Thermometer mit dem Widerstand Rt und einem festen Referenzwiderstand mit bekanntem Wert Rs ein konstanter Strom, so ist die anliegende Spannung direkt proportional zu den Widerstandswerten. Das Verhältnis der beiden Spannungen und somit der …
Temperatur – was ist das eigentlich?
Jochen Gries | Know-howTemperatur – ein Begriff, den wir im Alltag fast schon selbstverständlich verwenden, ohne uns bewusst Gedanken über die physikalischen Zusammenhänge zu machen. Aber wie ist der Temperaturbegriff definiert? Jeder Mensch empfindet die Temperatur seiner Umgebung …
Vergleichskalibrierung vs. Fixpunktkalibrierung
Fabian Ehing | Know-howIn der Temperaturkalibriertechnik gibt es prinzipiell zwei Methoden der Kalibrierung: die Vergleichskalibrierung und die Fixpunktkalibrierung. Die zur Kalibrierung verwendete Methode wird durch die Anforderungen an die Genauigkeit und durch die Art des prüfenden …
Eichen oder Kalibrieren?
Christian Elbert | Know-howDer Begriff "Eichen" wird im Sprachgebrauch oft mit "Kalibrieren" verwechselt. Im Unterschied zur Kalibrierung, bei der die Abweichung eines Messwertes von einem Normal festgestellt und attestiert wird, geht die Eichung deutlich darüber hinaus und ist nur in ganz …




