En la especificación de los puntos de conmutación de un interruptor de flotador, los malentendidos provocan a menudo diseños inadecuados. Aquí se explica cómo se especifica correctamente el punto de conmutación de un interruptor de flotador.
La condición previa básica para la especificación correcta y la fabricación según los requisitos de un interruptor de flotador es que tanto el cliente como el fabricante tengan una condición de referencia uniforme. Los interruptores de flotador se especifican con los siguientes parámetros:
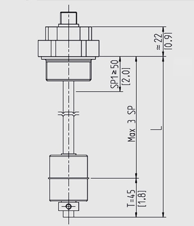
- Montaje desde arriba (conexión a proceso por encima del cuerpo del flotador)
- Dimensionamiento desde el borde de sellado hacia abajo
- Depósito vacío – el flotador está en posición de reposo sobre el elemento limitador
- Nivel ascendiendo
- Densidad del medio: 1.00 g/cm³
Las funciones de contacto de un interruptor de flotador
Para espeficicar un interruptor de flotador se pueden determinar tres tipos de contactos / funciones de conmutación:
- Normalmente abierto / n.o.
– el contacto se cierra al aumentar el nivel de llenado
– el contacto se abre cuando el nivel de llenado vuelve a bajar
- Normalmente cerrado / n.c.
– el contacto se abre a medida que aumenta el nivel de llenado
– el contacto se cierra cuando el nivel de llenado vuelve a bajar - Conmutador / SPDT
– el contacto de 3 hilos proporciona dos circuitos de salida, que pueden conectarse
– una salida que cierra cuando el nivel de llenado aumenta / que abre cuando el nivel de llenado vuelve a bajar
– una salida que abre cuando el nivel de llenado aumenta / que cierra cuando el nivel de llenado vuelve a bajar
La especificación del punto de conmutación
La especificación correcta del punto de conexión de un interruptor de flotador con un punto de conexión, por ejemplo:
- Posición del punto de conmutación 150 mm (desde el borde de sellado hasta el nivel de conmutación deseado)
- Función de conmutación normalmente abierta / n.a.
- Longitud del tubo guía 200 mm (desde el borde de sellado hasta el extremo del tubo)
La longitud del tubo guía «L» debe ser siempre mayor que la distancia entre los puntos de conmutación de la conexión a proceso para que el cuerpo del flotador pueda adoptar una posición de reposo en la que la salida de conmutación aún no esté conectada (véase dibujo). Desde la posición de reposo, el flotador sube al aumentar el nivel y conmuta la función deseada (p. ej. normalmente abierto) al nivel definido (posición del punto de conmutación).
La longitud del tubo guía se define por el punto de conmutación más bajo + zona muerta «T». Dependiendo del tamaño del cuerpo del flotador seleccionado, la zona muerta está generalmente entre 25 y 50 mm y también se define en la hoja de datos del fabricante.
Nota: Dependencia de la densidad e histéresis del punto de conmutación
El flotador, como cuerpo hueco suspendido, está influenciado por la densidad del medio. Para medios de muy baja densidad (por ejemplo, aceites ligeros), el flotador se sumergirá más profundamente en el medio que en el medio de referencia del agua con una densidad de 1 g/cm³. Esta inmersión más profunda del flotador dará lugar a una pequeña desviación de la posición del punto de conmutación de unos pocos milímetros.
Por último, pero no por ello menos importante, la histéresis de un contacto de láminas hace que el punto de rearme de un interruptor de flotador esté unos milímetros por debajo del punto de conmutación.ç
Nota
Como proveedor líder de soluciones de tecnología de medición basadas en flotador, WIKA dispone de una amplia gama de variantes para satisfacer todos los requisitos específicos de su aplicación. Nuestra gama de interruptores de flotador se encuentra en la página web de WIKA. Su persona de contacto estará encantada de asesorarle en la selección de la solución de producto adecuada y en la especificación de los puntos de conmutación.

Hola Equipo Wika
Requerimos algunas alternativas de bajo costo para le control de encendido y apagado de bombas sumergibles para pozos profundos de agua.
Agradezco compartir los posibles elementos sensores o switch de contacto para diamentro de cassing de la tuberia 6, compartida con la tuberia de succion de 2″, lo cual el elemento sensor debe ser pequeño, pensado tipo flotador o otra alternativa de calidad y bajo costo.
Gracias
Jhon Gomez
Hola, para más información puede consultar nuestra web para encontrar un especialista cerca de usted, estarán encantados de atenderle. Sus personas de contacto https://www.wika.com/es-es/contacto.WIKA