
Lors de la qualification d’un régulateur de niveau à flotteur, la bonne définition du point de commutation est cruciale pour une conception appropriée du régulateur.
Nous vous expliquons comment bien définir ce point de commutation.
La condition indispensable pour une bonne spécification et production d’un régulateur à flotteur est l’utilisation des mêmes références par le client et le fabricant. Les régulateurs à flotteur sont définis par les paramètres suivants :
- Installation mécanique (haut de cuve ou latéral)
- Longueur d’insertion
- Position du flotteur lorsque la cuve est vide
- Vitesse d’élévation du niveau
La fonction contacteur d’un régulateur de niveau à flotteur
Trois fonctions relais peuvent être configurées sur un régulateur de niveau à flotteur :
- Normalement ouvert / n.o
- Le contact se ferme lorsque le niveau croît
- Le contact s’ouvre lorsque le niveau redescends
- Normalement fermé/ n.c
- Le contact s’ouvre lorsque le niveau croît
- Le contact se ferme lorsque le niveau redescends
- Inverseur, ce contact trois fils offre deux sorties pouvant être connectées selon 2 configurations :
- La sortie se ferme lorsque le niveau monte / elle s’ouvre lorsque le niveau redescend.
- La sortie s’ouvre lorsque le niveau monte / elle se ferme lorsque le niveau redescend.
Bien définir un régulateur de niveau à flotteur
Voici un exemple de bonne définition d’un régulateur de niveau à flotteur :
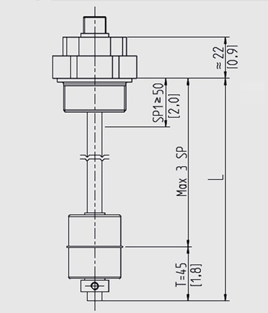
- Position du point de commutation à 150 mm (depuis la face de joint jusqu’au niveau de commutation désiré)
- Fonction de commutation : Contact normalement ouvert / n.o
- Longueur d’insertion de 200 mm (de la face de joint jusqu’au bout du tube guide)

Régulateur de niveau à flotteur
La longueur du tube guide doit toujours être plus grande que la longueur entre la face de joint de la connexion au process et le point de commutation pour que le flotteur soit dans une position de « repos » dans laquelle aucune sortie contact ne sera activée.
A partir de cette position le flotteur va coulisser le long du tube guide porté par le liquide à mesure que le niveau de celui-ci augmente et viendra activer le contact (n.o dans notre exemple) au point de commutation attendu.
La longueur du tube guide est définie par la position basse du point de commutation auquel nous venons ajouter une « bande morte » (T dans le dessin). Elle dépend de la taille du flotteur et évolue le plus souvent entre 25 et 50 mm, cette longueur est défini dans les manuels constructeurs.
L’influence de la densité et de l’hystérésis sur le point de commutation
Le flotteur comme tout corps creux suspendu est influencé par la densité du liquide. Pour les densités les plus basses (huiles légères) le flotteur s’enfoncera plus profondément que dans un liquide tel que l’eau. Cette différence d’immersion du flotteur va entraîner un léger décalage de quelques mm sur la position du point de commutation.
De plus, l’hystérésis des contacts REED va décaler le point de remise à zéro du contact par le flotteur de quelques mm en dessous du point de commutation.
Note
WIKA en qualité de leader pour la fourniture d’équipement de mesure niveau basé sur les technologies à flotteur, possède une large gamme d’instruments permettant de répondre à de très nombreuses applications. Vous trouverez toutes les informations sur notre site web WIKA.
Votre interlocuteur WIKA se fera un plaisir de vous conseiller sur la solution la plus appropriée à votre application.