
Nieporozumienia w specyfikacji punktów przełączeniowych przełącznika pływakowego zawsze powodują powstanie nieodpowiednich konstrukcji produktów. Poniżej wyjaśniamy, jak prawidłowo określić punkt przełączeniowy przełącznika pływakowego.
Klient oraz producent powinni mieć jednakowe warunki odniesienia. Jest to podstawowy warunek wstępny prawidłowej specyfikacji. Specyfikacje przełączników pływakowych zawierają następujące parametry:
• Montaż od góry (przyłącze procesowe nad korpusem pływaka) |
• Wymiarowanie od krawędzi uszczelnienia w dół
• Pusty zbiornik – pływak w pozycji spoczynkowej na elemencie ograniczającym
• Podnoszenie poziomu napełnienia
• Gęstość medium: 1,00 g/cm³
Działanie styków przełącznika pływakowego
Przy specyfikacji przełącznika pływakowego można określić trzy rodzaje styków:
• Zwykle otwarte / n.o.
– styk zamyka się wraz ze wzrastającym poziomem napełnienia
– styk otwiera się, gdy poziom napełnienia ponownie spada
• Zwykle zamknięte / n.c.
– styk otwiera się wraz ze wzrastającym poziomem napełnienia
– styk zamyka się, gdy poziom napełnienia ponownie spada
• Styk przełączny / SPDT
– styk 3-przewodowy z dwoma obwodami wyjściowymi, które można podłączyć zgodnie z wymaganiami
– jeden obwód zamyka się wraz ze wzrastającym poziomem napełnienia / otwiera się, gdy poziom napełnienia
ponownie spada
– jeden obwód otwiera się wraz ze wzrastającym poziomem napełnienia / zamyka się, gdy poziom napełnienia
ponownie spada
Specyfikacja punktu przełączeniowego
Prawidłowa specyfikacja punktu przełączeniowego wyłącznika pływakowego z punktem przełączeniowym na przykładzie:
• Położenie punktu przełączeniowego 150 mm (od krawędzi uszczelnienia do żądanego poziomu przełączania)
• Funkcja przełączania zwykle otwarta / n.o.
• Długość rurki prowadzącej 200 mm (od krawędzi uszczelnienia do końca rurki)

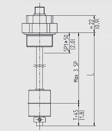
Przełącznik pływakowy (schemat)
Długość rurki prowadzącej „L” musi zawsze przekraczać odległość między punktami przełączania od przyłącza procesowego, aby umożliwić pływakowi przyjęcie pozycji spoczynkowej, w której nie przełączono wyjścia przełączającego (patrz rysunek). Z pozycji spoczynkowej pływak podnosi się wraz z rosnącym poziomem i przełącza daną funkcję (np. zwykle otwarta) na określonym poziomie (położenie punktu przełączeniowego).
Długość rury prowadzącej jest określona przez najniższy punkt przełączeniowy + strefa nieczułości „T”. W zależności od wielkości wybranego pływaka, strefa nieczułości mierzy od 25 do 50 mm, co określono w karcie katalogowej producenta
Porada eksperta: zależność gęstości i histereza punktu przełączeniowego
Gęstość medium wpływa na pływaka jako ciało z pustą przestrzenią w środku. W mediach o bardzo niskiej gęstości (np. oleje lekkie) pływak zanurzy się głębiej niż w wodzie medium odniesienia o gęstości 1 g/cm³. Głębsze zanurzenie pływaka spowoduje niewielkie odchylenie położenia punktu przełączeniowego o kilka milimetrów.
Ponadto histereza styku kontaktronowego prowadzi do przemieszczenia punktu zerowania pływaka o kilka milimetrów poniżej punktu przełączeniowego.
Uwaga
Jako wiodący dostawca rozwiązań pomiarowych opartych o technologie pływakowe, WIKA oferuje wiele różnych przyrządów pozwalających spełnić wymagania każdego zastosowania. Pełna oferta naszych przełączników pływakowych znajduje się na stronie internetowej firmy WIKA. Jeżeli konieczna jest pomoc w wyborze odpowiedniego rozwiązania oraz odnośnie specyfikacji punktów przełączeniowych, prosimy o zwrócenie się do osoby kontaktowej.
