In der Spezifikation der Schaltpunkte eines Schwimmerschalters kommt es durch Missverständnisse immer wieder zu ungeeigneten Produktausführungen. Wie man den Schaltpunkt eines Schwimmerschalters richtig spezifiziert erfahren Sie hier.
Die Grundvoraussetzung der korrekten Spezifikation und wunschgemäßen Herstellung eines Schwimmerschalters ist eine einheitliche Referenzbedingung für Kunde und Hersteller. Schwimmerschalter werden mit folgenden Parametern spezifiziert:
- Einbau von oben (Prozessanschluss oberhalb Schwimmerkörper)
- Bemaßung von der Dichtkante ausgehend nach unten
- Leerer Tank – Schwimmer liegt in Ruheposition auf Begrenzungselement auf
- Füllstand ansteigend
- Dichte des Mediums: 1,00 g/cm³
Die Kontaktfunktionen eines Schwimmerschalters
Zur Spezifikation eines Schwimmerschalters sind nun drei Kontaktarten /Schaltfunktionen definierbar:
- Schließer / n.o. (normally open)
– der Kontakt schließt bei steigendem Füllstand
– der Kontakt öffnet bei wieder fallendem Füllstand - Öffner / n.c. (normally closed)
– der Kontakt öffnet bei steigendem Füllstand
– der Kontakt schließt bei wieder fallendem Füllstand - Wechsler / SPDT / changeover
– der 3-adrige Kontakt bietet zwei Ausgangsschaltungen, die nach Bedarf kontaktiert werden können
– ein Ausgang schließt bei steigendem Füllstand / öffnet bei wieder fallendem Füllstand
– ein Ausgang öffnet bei steigendem Füllstand / schließt bei wieder fallendem Füllstand
Die Spezifikation des Schaltpunktes
Die korrekte Spezifikation des Schaltpunktes eines Schwimmerschalters mit einem Schaltpunkt als Beispiel:
- Schaltpunktposition 150 mm (von der Dichtkante bis zum gewünschten Schaltniveau)
- Schaltfunktion Schließer / n.o.
- Gleitrohrlänge 200 mm (von der Dichtkante bis zum Ende des Rohres)

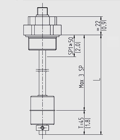
Schwimmerschalter (Zeichnung)
Die Gleitrohrlänge „L“ muss immer größer als der Abstand der Schaltpunkte vom Prozessanschluss sein, um dem Schwimmerkörper eine Ruheposition zu ermöglichen, bei der der Schaltausgang noch nicht geschaltet wird (vgl. Zeichnung). Aus der Ruheposition hebt sich der Schwimmer mit steigendem Füllstand und schaltet die gewünschte Funktion (z. B. Schließer) auf dem definierten Füllstandsniveau (Schaltpunktposition).
Die Gleitrohrlänge definiert sich aus unterstem Schaltpunkt + Totbereich „T“. Der Totbereich ist je nach Größe des gewählten Schwimmerkörpers in der Regel zwischen 25 und 50 mm groß sowie im Datenblatt des Herstellers definiert.
Expertentipp: Dichteabhängigkeit und Hysterese des Schaltpunktes
Der Schwimmer als aufschwebender Hohlkörper wird durch die Dichte des Mediums beeinflusst. Bei Medien mit sehr niedriger Dichte (z. B. leichte Öle) wird der Schwimmer tiefer im Medium eintauchen, als beim Referenzmedium Wasser mit Dichte 1 g/cm³. Dieses tiefere Eintauchen des Schwimmers wird zu einer kleinen Abweichung der Schaltpunktposition um wenige Millimeter führen.
Nicht zuletzt führt die Hysterese eines Reedkontaktes dazu, dass der Rückschaltpunkt eines Schwimmerschalters um einige wenige Millimeter unterhalb des Schaltpunktes liegt.
Hinweis
Als führender Anbieter von schwimmerbasierten, messtechnischen Lösungen verfügt WIKA über ein breites Variantenspektrum, um all Ihre anwendungsspezifischen Anforderungen zu erfüllen. Unser Angebot an Schwimmerschaltern finden Sie auf der WIKA-Webseite. Gerne berät Sie Ihr Ansprechpartner zur Auswahl der geeigneten Produktlösung und Spezifikation der Schaltpunkte.
Lesen Sie auch unseren Beitrag
Schwimmerschalter: Was ist das und wie funktioniert dieser überhaupt? Was bedeuten Totbereiche bei einem Schwimmerschalter?